

モデル名の説明
CAD ダウンロード
CADデータにつきましては弊社営業にお問い合わせ下さい。
製品仕様
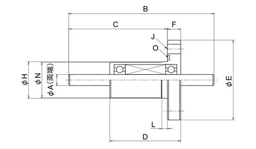
| F2B-004-B | F2B-005-B | F2B-006-B | F2B-008-B | |
|---|---|---|---|---|
| お引き合い | お引き合い | お引き合い | お引き合い | お引き合い |
| CAD(図面) | ダウンロード | ダウンロード | ダウンロード | ダウンロード |
| A [mm] | $4g6^{-0.004}_{-0.012}$ | $5g6^{-0.004}_{-0.012}$ | $6g6^{-0.004}_{-0.012}$ | $8g6^{-0.005}_{-0.014}$ |
| B [mm] | 60 | 64 | 72 | 85 |
| C [mm] | 44 | 46 | 53 | 63 |
| D [mm] | 26 | 26 | 31 | 39 |
| E [mm] | 41 | 41 | 43 | 53 |
| F [mm] | 6 | 6 | 6 | 6 |
| H [mm] | $18f7^{-0.016}_{-0.034}$ | $18f7^{-0.016}_{-0.034}$ | $20f7^{-0.020}_{-0.041}$ | $28f7^{-0.020}_{-0.041}$ |
| J | 4-Φ4.5PCD33 | 4-Φ4.5PCD33 | 4-Φ4.5PCD35 | 6-Φ4.5PCD45 |
| L [mm] | 5 | 5 | 6 | 6 |
| N [mm] | 17 | 17 | 19 | 27 |
| O (使用Oリング) | P20 | P20 | P22 | G30 |
| シャフトオプション | フラットカット(両端) | フラットカット(両端) | フラットカット(両端) | フラットカット(両端) |
| S [mm] | 8 | 10 | 10 | 12 |
| V [mm] | 0.5 | 0.5 | 0.5 | 1 |
| 最高回転数 [rpm]1,2 | 7600 | 7600 | 6400 | 4800 |
| 定格回転数 [rpm]1,3 | 4000 | 4000 | 4000 | 4000 |
| 許容アキシアル荷重 [N]4 | 12 | 22 | 35 | 72 |
| 許容ラジアル荷重 [N]5 | 12 | 22 | 35 | 72 |
| 質量 [kg] | 0.1 | 0.11 | 0.14 | 0.29 |
| 起動トルク [N∙m]1,6 | 0.009 | 0.009 | 0.013 | 0.022 |
| 許容伝達トルク[N∙m] | 0.6 | 0.7 | 1.4 | 3.6 |
- (*1):一般真空仕様磁性流体(Aタイプ)を使用した場合の数値です。耐食仕様(Fタイプ)および低蒸気圧・耐食仕様(Uタイプ)の磁性流体を使用した場合は、別の数値となります。
- (*2):シャフトに負荷がかかっていないときの許容回転数です。
- (*3):許容ラジアル荷重をかけたときの許容回転数です。
- (*4):磁性流体シールのシャフトの中心にかけることができる、最大のアキシアル荷重です。
ラジアル荷重との合成荷重がかかる場合、または荷重点がシャフトの中心からずれる場合は、 磁性流体シールお引き合いフォームに荷重条件を記入してご連絡ください。
(*5):磁性流体シールのシャフト端にかけることのできる、最大のラジアル荷重です。
アキシアル荷重との合成荷重がかかる場合、または荷重点がシャフト端より遠くにある場合は、磁性流体シールお引き合いフォームに荷重条件を記入してご連絡ください。
規格品共通仕様
| 耐真空 | 1.0x10-6Pa | |
|---|---|---|
| リーク量(He) | 9.9×10-11Pa・m3/sec 以下 | |
| 使用雰囲気(*1) | 真空中・不活性ガス中・腐食性ガス中 | |
| 使用材質 | ハウジング | SUS 304 |
| シャフト | SUS 630 | |
| ボールピース | SUS 630 | |
| ベアリング | SUJ2 | |
| Oリング | FKM | |
| ベアリング潤滑 | 真空側:フッ素系真空グリース 大気側:防錆剤入り汎用グリース |
|
| 標準附属品(*2) | Oリング ワッシャおよびナット(LSBシリーズ) |
|
- (*1):腐食性ガスのご使用の場合は、耐食仕様または低蒸気圧・耐食仕様の磁性流体をご指定ください。
また、ガスの種類および使用環境によっては、別途対応する必要がございます。弊社営業まで使用環境をご連絡お願いいたします。 - (*2):付属Oリングサイズは各機種の詳細ページにございます。
また、LSBシリーズには取り付け用ワッシャおよびナットが付属いたします。
