

モデル名の説明

CADダウンロード
CADデータにつきましては弊社営業にお問い合わせ下さい。
製品仕様
| F1B-004-B | F1B-005-B | F1B-006-B | F1B-008-B | |
|---|---|---|---|---|
| お引き合い | お引き合い | お引き合い | お引き合い | お引き合い |
| CAD(図面) | ダウンロード | ダウンロード | ダウンロード | ダウンロード |
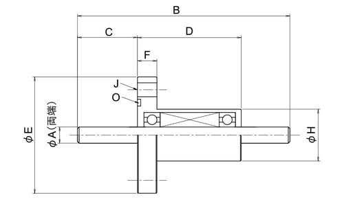
| A [mm] | $4g6^{-0.004}_{-0.012}$ | $5g6^{-0.004}_{-0.012}$ | $6g6^{-0.004}_{-0.012}$ | $8g6^{-0.005}_{-0.014}$ |
| B [mm] | 60 | 64 | 72 | 85 |
| C [mm] | 18 | 20 | 22 | 24 |
| D [mm] | 32 | 32 | 37 | 45 |
| E [mm] | $35f7^{-0.025}_{-0.050}$ | $35f7^{-0.025}_{-0.050}$ | $39f7^{-0.025}_{-0.050}$ | $48f7^{-0.025}_{-0.050}$ |
| F [mm] | 6 | 6 | 6 | 6 |
| H [mm] | 17 | 17 | 20 | 29 |
| J | 4-Φ4.5PCD27 | 4-Φ4.5PCD27 | 4-Φ4.5PCD31 | 6-Φ4.5PCD40 |
| O (使用Oリング) | P14 | P14 | P18 | G25 |
| シャフトオプション | フラットカット(両端) | フラットカット(両端) | フラットカット(両端) | フラットカット(両端) |
| S [mm] | 8 | 10 | 10 | 12 |
| V [mm] | 0.5 | 0.5 | 0.5 | 1 |
| 最高回転数 [rpm] (*1) (*2) | 7600 | 7600 | 6400 | 4800 |
| 定格回転数 [rpm] (*1) (*3) | 4000 | 4000 | 4000 | 4000 |
| 許容アキシアル荷重 [N] (*4) | 12 | 22 | 35 | 72 |
| 許容ラジアル荷重 [N] (*5) | 12 | 22 | 35 | 72 |
| 質量 [kg] | 0.09 | 0.09 | 0.14 | 0.3 |
| 起動トルク [N・m] (*1) (*6) | 0.009 | 0.009 | 0.013 | 0.022 |
| 許容伝達トルク [N・m] | 0.6 | 0.7 | 1.4 | 3.6 |
(*1):一般真空仕様磁性流体(Aタイプ)を使用した場合の数値です。耐食仕様(Fタイプ)および低蒸気圧・耐食仕様(Uタイプ)の磁性流体を使用した場合は、別の数値となります。
(*2):シャフトに負荷がかかっていないときの許容回転数です。(*3):許容ラジアル荷重をかけたときの許容回転数です。
(*4):磁性流体シールのシャフトの中心にかけることができる、最大のアキシアル荷重です。
ラジアル荷重との合成荷重がかかる場合、または荷重点がシャフトの中心からずれる場合は、磁性流体シールお引き合いフォームに荷重条件を記入してご連絡ください。
(*5):磁性流体シールのシャフト端にかけることのできる、最大のラジアル荷重です。
アキシアル荷重との合成荷重がかかる場合、または荷重点がシャフト端より遠くにある場合は、磁性流体シールお引き合いフォームに荷重条件を記入してご連絡ください。
(*6):起動トルクとは、回転始動時の最大負荷トルクのことを示します。これらは参考値であり、保証値ではありません。モータ選定の際の負荷トルクは、記載値の3倍を目安にご検討ください。
規格品共通仕様
| 耐真空 | 1.0x10-6 Pa | |
|---|---|---|
| リーク量(He) | 9.9×10-11Pa・m3/sec 以下 | |
| 使用雰囲気(*1) | 真空中・不活性ガス中・腐食性ガス中 | |
| 使用材質 | ハウジング | SUS 304 |
| シャフト | SUS 630 | |
| ボールピース | SUS 630 | |
| ベアリング | SUJ2 | |
| Oリング | FKM | |
| ベアリング潤滑 | 真空側:フッ素系真空グリース 大気側:防錆剤入り汎用グリース |
|
| 標準附属品(*2) | Oリング ワッシャおよびナット(LSBシリーズ) |
|
また、ガスの種類および使用環境によっては、別途対応する必要がございます。弊社営業まで使用環境をご連絡お願いいたします。
(*2):付属Oリングサイズは各機種の詳細ページにございます。
また、LSBシリーズには取り付け用ワッシャおよびナットが付属いたします。