

モデル名の説明
CADダウンロード
CADデータにつきましては弊社営業にお問い合わせ下さい。
製品仕様
| F1T-020-C | F1T-025-C | F1T-030-C | F1T-040-C | F1T-050-C | F1T-075-C | |
|---|---|---|---|---|---|---|
| お引き合い | お引き合い | お引き合い | お引き合い | お引き合い | お引き合い | お引き合い |
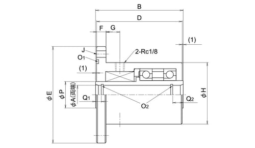
| A [mm] | $20H7^{+0.021}_{0}$ | $25H7^{+0.021}_{0}$ | $30H7^{+0.021}_{0}$ | $40H7^{+0.025}_{0}$ | $50H7^{+0.025}_{0}$ | $75H7^{+0.030}_{0}$ |
| B [mm] | 116 | 118 | 134 | 65 | 65 | 74 |
| D[mm] | 114 | 116 | 132 | 63 | 63 | 72 |
| E [mm] | $99f7^{-0.036}_{-0.071}$ | $109f7^{-0.036}_{-0.071}$ | $114f7^{-0.036}_{-0.071}$ | $128f7^{-0.043}_{-0.083}$ | $138f7^{-0.043}_{-0.083}$ | $179f7^{-0.043}_{-0.083}$ |
| F [mm] | 10 | 10 | 12 | 10 | 10 | 12 |
| H [mm] | 64 | 74 | 80 | 92 | 102 | 143 |
| J | 6-Φ9PCD82 | 6-Φ9PCD92 | 6-Φ9PCD98 | 8-Φ9PCD110 | 8-Φ9PCD120 | 8-Φ9PCD161 |
| O (使用Oリング) | G60 | G65 | G70 | G85 | G95 | G135 |
| O2 (使用Oリング) | S20 | S25 | S30 | S40 | S50 | S75 |
| P [mm] | 30 | 35 | 40 | 50 | 60 | 90 |
| Q1 [mm] | 10 | 10 | 10 | 10 | 10 | 13 |
| Q2 [mm] | 12 | 12 | 13 | 12 | 12 | 16 |
| 水冷オプション | 2-Rc1/8 | 2-Rc1/8 | 2-Rc1/8 | 2-Rc1/8 | 2-Rc1/8 | 2-Rc1/8 |
| G [mm] | 11 | 11 | 11 | 12 | 12 | 11 |
| シャフトオプション1 | クランプ | クランプ | クランプ | クランプ | クランプ | クランプ |
| W [mm] | 13 | 15 | 15 | 15 | 15 | 19 |
| X [mm] | 45 | 57 | 61 | 73 | 83 | 109 |
| Y (六角穴付きボルト) | M4×10 | M6×12 | M6×12 | M6×16 | M6×16 | M8×20 |
| 最高回転数 [rpm] (*1) (*2) (水冷時) |
1900 (6500) |
1600 (5500) |
1400 (5000) |
1100 | 1000 | 600 |
| 定格回転数 [rpm] (*1) (*3) (水冷時) |
1900 | 1600 | 1400 | 1100 | 1000 | 600 |
| 許容アキシアル荷重 [N] (*4) | 78 | 120 | 120 | 835 | 900 | 1500 |
| 許容ラジアル荷重 [N] (*5) | 391 | 496 | 562 | 835 | 900 | 1500 |
| 質量 [kg] | 2.8 | 3.7 | 4.8 | 3.1 | 3.6 | 7.4 |
| 起動トルク [N・m] (*1) (*6) | 0.33 | 0.44 | 0.57 | 2.4 | 3.0 | 6.6 |
| 許推奨シャフト径 [mm] (*4) |
$20f7^{-0.020}_{-0.041}$ | $25f7^{-0.020}_{-0.041}$ | $30f7^{-0.020}_{-0.041}$ | $40f7^{-0.025}_{-0.050}$ | $50f7^{-0.025}_{-0.050}$ | $75f6^{-0.030}_{-0.049}$ |
(*1):一般真空仕様磁性流体(Aタイプ)を使用した場合の数値です。耐食仕様(Fタイプ)および低蒸気圧・耐食仕様(Uタイプ)の磁性流体を使用した場合は、別の数値となります。
(*2):シャフトに負荷がかかっていないときの許容回転数です。
(*3):許容ラジアル荷重をかけたときの許容回転数です。
(*4):磁性流体シールのシャフトの中心にかけることができる、最大のアキシアル荷重です。
ラジアル荷重との合成荷重がかかる場合、または荷重点がシャフトの中心からずれる場合は、磁性流体シールお引き合いフォームに荷重条件を記入してご連絡ください。
(*5):磁性流体シールのシャフト端にかけることのできる、最大のラジアル荷重です。
アキシアル荷重との合成荷重がかかる場合、または荷重点がシャフト端より遠くにある場合は、磁性流体シールお引き合いフォームに荷重条件を記入してご連絡ください。
(*6):起動トルクとは、回転始動時の最大負荷トルクのことを示します。これらは参考値であり、保証値ではありません。モータ選定の際の負荷トルクは、記載値の3倍を目安にご検討ください。
規格品共通仕様
| 耐真空 | 1.0x10-6 Pa | |
|---|---|---|
| リーク量(He) | 9.9×10-11Pa・m3/sec 以下 | |
| 使用雰囲気(*1) | 真空中・不活性ガス中・腐食性ガス中 | |
| 使用材質 | ハウジング | SUS 304 |
| シャフト | SUS 630 | |
| ボールピース | SUS 630 | |
| ベアリング | SUJ2 | |
| Oリング | FKM | |
| ベアリング潤滑 | 真空側:フッ素系真空グリース 大気側:防錆剤入り汎用グリース |
|
| 標準附属品(*2) | Oリング ワッシャおよびナット(LSBシリーズ) |
|
また、ガスの種類および使用環境によっては、別途対応する必要がございます。弊社営業まで使用環境をご連絡お願いいたします。
(*2):付属Oリングサイズは各機種の詳細ページにございます。
また、LSBシリーズには取り付け用ワッシャおよびナットが付属いたします。
