

モデル名の説明
CADダウンロード
CADデータにつきましては弊社営業にお問い合わせ下さい。
製品仕様
| NFT-010-B | NFT-012-B | NFT-015-B | NFT-020-B | NFT-025-B | NFT-030-B | NFT-040-B | NFT-050-B | NFT-075-B | |
|---|---|---|---|---|---|---|---|---|---|
| お引き合い | お引き合い | お引き合い | お引き合い | お引き合い | お引き合い | お引き合い | お引き合い | お引き合い | お引き合い |
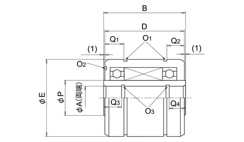
| A [mm] | 10H7+0.015 0 |
12H7+0.018 0 |
15H7+0.018 0 |
20H7+0.021 0 |
25H7+0.021 0 |
30H7+0.021 0 |
40H7+0.025 0 |
50H7+0.025 0 |
75H7+0.030 0 |
| B [mm] | 60 | 60 | 69 | 63 | 65 | 71 | 72 | 84 | 94 |
| D [mm] | 58 | 58 | 67 | 61 | 63 | 69 | 70 | 82 | 92 |
| E [mm] | 40g6-0.009 -0.025 |
40g6-0.009 -0.025 |
49g6-0.009 -0.025 |
55g6-0.010 -0.029 |
63g6-0.010 -0.029 |
73g6-0.010 -0.029 |
83g6-0.012 -0.034 |
95g6-0.012 -0.034 |
126g6-0.014 -0.039 |
| O1 (使用Oリング) | S36 | S36 | S45 | S50 | S60 | S70 | S80 | S90 | S120 |
| O2 (使用Oリング) | S30 | S30 | S38 | S44 | S50 | S60 | G70 | G80 | G110 |
| O3 (使用Oリング) | S10 | S12 | S15 | S20 | S25 | S30 | S40 | S50 | S75 |
| P [mm] | 17 | 17 | 20 | 30 | 35 | 40 | 50 | 60 | 90 |
| Q1 [mm] | 6 | 6 | 6 | 7 | 7 | 8 | 9 | 9 | 10 |
| Q2 [mm] | 8 | 8 | 9 | 9 | 10 | 11 | 11 | 11 | 14 |
| Q3 [mm] | 7 | 7 | 7 | 8 | 8 | 9 | 10 | 10 | 11 |
| Q4 [mm] | 9 | 9 | 10 | 10 | 11 | 12 | 12 | 12 | 15 |
| シャフトオプション | クランプ | クランプ | クランプ | クランプ | クランプ | クランプ | クランプ | クランプ | クランプ |
| W [mm] | 11 | 11 | 11 | 13 | 15 | 15 | 15 | 15 | 19 |
| X [mm] | 35 | 37 | 40 | 45 | 57 | 61 | 73 | 83 | 109 |
| Y (六角穴付きボルト) | M4×10 | M4×10 | M4×10 | M4×10 | M6×12 | M6×12 | M6×16 | M6×16 | M8×20 |
| 最高回転数 [rpm] (*1) (*2) | 2200 | 2200 | 1900 | 1300 | 1100 | 1000 | 800 | 600 | 400 |
| 定格回転数 [rpm] (*1) (*3) | 2200 | 2200 | 1900 | 1300 | 1100 | 1000 | 800 | 600 | 400 |
| 許容アキシアル荷重 [N] (*4) |
252 | 252 | 390 | 300 | 440 | 550 | 580 | 810 | 800 |
| 許容ラジアル荷重 [N] (*5) |
252 | 252 | 390 | 300 | 440 | 550 | 580 | 810 | 800 |
| 質量 [kg] | 0.5 | 0.5 | 0.8 | 1.0 | 1.3 | 1.9 | 2.3 | 3.3 | 5.8 |
| 起動トルク [N・m] (*1)(*6) |
0.1 | 0.1 | 0.14 | 0.32 | 0.43 | 0.56 | 0.88 | 1.3 | 2.8 |
| 推奨シャフト径 [mm] (*4) |
10f7-0.013 -0.028 |
12f7-0.016 -0.034 |
15f7-0.016 -0.034 |
20f7-0.020 -0.041 |
25f7-0.020 -0.041 |
30f7-0.020 -0.041 |
40f7-0.025 -0.050 |
50f7-0.025 -0.050 |
75f6-0.030 -0.049 |
| 推奨ハウジング径 [mm] (*4) |
40H7+0.025 0 |
40H7+0.025 0 |
49H7+0.025 0 |
55H7+0.030 0 |
63H7+0.030 0 |
73H7+0.030 0 |
83H7+0.035 0 |
95H7+0.035 0 |
126H7+0.040 0 |
(*1):一般真空仕様磁性流体(Aタイプ)を使用した場合の数値です。耐食仕様(Fタイプ)および低蒸気圧・耐食仕様(Uタイプ)の磁性流体を使用した場合は、別の数値となります。
(*2):シャフトに負荷がかかっていないときの許容回転数です。
(*3):許容ラジアル荷重をかけたときの許容回転数です。
(*4):磁性流体シールのシャフトの中心にかけることができる、最大のアキシアル荷重です。
ラジアル荷重との合成荷重がかかる場合、または荷重点がシャフトの中心からずれる場合は、磁性流体シールお引き合いフォームに荷重条件を記入してご連絡ください。
(*5):磁性流体シールのシャフト端にかけることのできる、最大のラジアル荷重です。
アキシアル荷重との合成荷重がかかる場合、または荷重点がシャフト端より遠くにある場合は、磁性流体シールお引き合いフォームに荷重条件を記入してご連絡ください。
(*6):起動トルクとは、回転始動時の最大負荷トルクのことを示します。これらは参考値であり、保証値ではありません。モータ選定の際の負荷トルクは、記載値の3倍を目安にご検討ください。
標準製品の共通仕様
| 耐真空 | 1.0x10-6Pa | |
|---|---|---|
| リーク量(He) | 9.9×10-11Pa・m3/sec 以下 | |
| 使用雰囲気(*1) | 真空中・不活性ガス中・腐食性ガス中 | |
| 使用材質 | ハウジング | SUS 304 |
| シャフト | SUS 630 | |
| ボールピース | SUS 630 | |
| ベアリング | SUJ2 | |
| Oリング | FKM | |
| ベアリング潤滑 | 真空側:フッ素系真空グリース 大気側:防錆剤入り汎用グリース |
|
| 標準附属品(*2) | Oリング ワッシャおよびナット(LSBシリーズ) |
|
また、ガスの種類および使用環境によっては、別途対応する必要がございます。弊社営業まで使用環境をご連絡お願いいたします。
(*2):付属Oリングサイズは各機種の詳細ページにございます。
また、LSBシリーズには取り付け用ワッシャおよびナットが付属いたします。
